EQUIPO PARA MEDICION DE INDUCTANCIAS 'LW3DYL'

 
CLICK AQUI PARA BAJAR ESQUEMATICO Y CIRCUITO.
 

Antes de comenzar a construir equipos de radio es necesario desarrollar una serie de pequeños instrumentos que nos permitan acceder a medidas que no son posibles con un simple tester. En el artículo anterior presenté un frecuencímetro simple y económico, que puede medir con comodidad hasta más de 30 MHz. En este artículo explico cómo construir con componentes comunes un medidor de inductancias, permite fabricar bobinas para circuitos sintonizados de la mejor calidad, dado que no es posible armar buenos equipos sin buenos filtros de entrada, y para eso debemos poder medir ciertos parámetros que sin instrumental es imposible, y como el instrumental específico es caro... lo construímos y de paso estudiamos la teoría de los circuitos.

Uno de los principales problemas en la construcción de equipos para radioaficionado es  poder hacerlos duplicables, esto es, que así como yo lo puedo armar y calibrar en mi taller de Burzaco también debe poder hacer lo mismo un estudiante de Córdoba o un aficionado de Rosario. Es por eso que utilizo para mis proyectos transistores e integrados comunes y corrientes, fácilmente asequibles en todas partes. Pero mis buenas intenciones chocan contra una pared al momento de fabricar una bobina. Normalmente puedo decir “15 espiras de alambre de 1mm sobre forma de 5/8 de pulgada” y pienso que todo el mundo la va a poder hacer, pero... ¿y si tengo una forma distinta?, ¿y si tengo un alambre diferente? ¡Y no hablemos de bobinar sobre ferritas o toroides! En esos componentes la disparidad de características es enorme. ¿Cómo puedo superar este escollo? Simple: en todos mis circuitos doy el valor de la inductancia, sólo tenemos que construir este simple inductámetro, que además funciona como generador de RF (radiofrecuencia) y calibrador de filtros de entrada, conseguir una forma, un poco de alambre, bobinar, medir y listo, ya tenemos una de las partes más delicadas del equipo en condiciones.

Aclarado este punto importantísimo, pasaremos a una breve revisión sobre bobinas y circuitos sintonizados.

Tomemos como ejemplo el circuito de la figura 1. Allí observamos un oscilador acoplado a una bobina de 10 uHy por medio de un resistor de 10K y a un condensador de 47 pF en paralelo con ésta. A su vez todo el conjunto está acoplado a un voltímetro de radiofrecuencia que sirve para medir la tensión presente en los extremos del circuito. Si hacemos correr el oscilador desde, digamos 1 MHz hasta 15 MHz (lo pueden hacer con el Bode Plotter del Workbench) observaremos que la tensión hace un pico en la zona de los 7.5 MHz. Esto quiere decir que una emisora en esa frecuencia va a generar más tensión que una supongamos en 1.4 MHz u otra en 14 MHz. Esto hace que escuchemos una frecuencia (la de sintonía) y no todas las demás. Este pico de tensión se conoce como resonancia del circuito y puede calcularse con la fórmula:

F:                         1.000        

  6.28          raiz cuadrada deLC

F: en MHz    L: en µHy     C: en pF

Ahora bien, si queremos escuchar una emisora en una frecuencia determinada y no otras calculamos un circuito sintonizado de éstos y ya está... Pero no todo es tan fácil. Veamos algunos detalles: Si aplicamos una frecuencia de 7.5 MHz con el oscilador a una amplitud de 10V obtenemos en el voltímetro una lectura de unos 5.5 Vp (de pico). Si nos desplazamos hasta los 5.1 MHz o los 10.7 MHz la tensión cae a la décima parte (unos 0,55Vp). Estos son los puntos de –20dB (la tensión cae 10 veces), una emisora de 1KW en 5,1 MHz se escucha 10 veces menos fuerte que una de 7,5 MHz. Si nos alejamos a 2 MHz tendremos apenas 0,135Vp y en 15 MHz 0,2 Vp como muestra la figura 2.

Habrán notado el detalle de que el oscilador y el voltímetro se conectan a la carga por sendas resistencias de 10K. Probemos ahora haciendo el mismo trabajo pero con resistencias de 500 ohms, de acuerdo a la figura 3.

Aquí notamos que en la frecuencia de resonancia (7.5 MHz) la tensión es de 9.5 Vp pero en 5.1 MHz y en 10.7 MHz ya no es 10 veces menor, sino que es ahora de 7.5 Vp. Los puntos de –20 dB están ahora en 750 KHz y en 65 MHz, con 0,96Vp. Como vemos en la figura 4, este circuito no es tan efectivo como el anterior, dado que es mucho más ancho. Con esto observamos que este tipo de circuitos sintonizados deben cargarse con alta impedancia para que sean efectivos y puedan discriminar eficazmente las emisoras.

Comparando las dos figuras vemos que la primera es más aguda que la segunda, siendo entonces de mejor calidad  para el propósito al que son destinadas. Esto se mide con el factor de mérito o factor de calidad Q.

Hay que detallar que en todo circuito sintonizado, además de la inductancia y la capacidad hay también presente resistencia. Hasta más o menos los 30 MHz la resistencia se encuentra principalmente en el alambre de la bobina y en frecuencias superiores por la pérdida en el dieléctrico del capacitor, que es equivalente a una resistencia en el circuito.

El Q (factor de mérito o de calidad) de un circuito es el valor de la reactancia (ya sea capacitiva o inductiva) del circuito dividida por la resistencia del mismo.

Q= X/R

Una forma clásica de construir una bobina con alto Q es bobinarla con alambre grueso, para que de este modo tenga menos resistencia. Pero para lograr mayor agudeza en la sintonía se utilizan bobinas con núcleo de ferrita. La inclusión de este elemento hace que aumente notablemente el factor de calidad del inductor, pero crea el inconveniente (para el que no tiene instrumental específico) que las características de la bobina varían de acuerdo a la permeabilidad del núcleo.

Este último inconveniente se puede solucionar fácilmente construyendo un simple pero efectivo medidor de inductancia que ya mismo paso a describir.

Descripción del circuito:

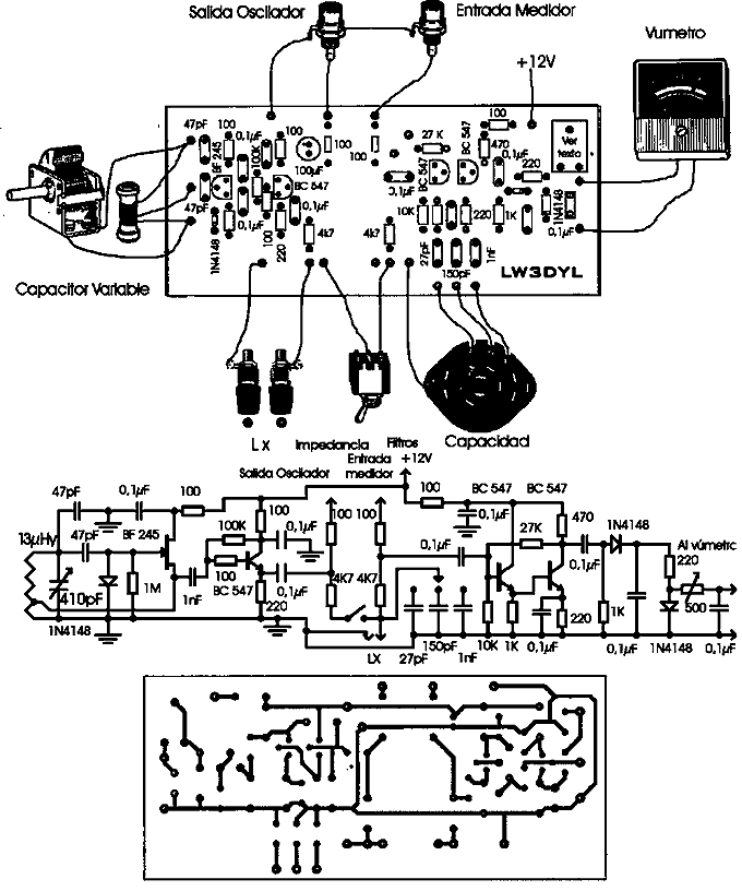
En la figura 5 podemos ver el circuito completo del medidor. Este es un instrumento doble, la primera etapa es un oscilador de radiofrecuencia, que cubre aproximadamente entre los 2 y los 6 MHz, de modo que a la mitad de su recorrido se encuentre la banda de 80Mts (3,5 a 3,75 MHz). Hice entonces una salida como para poder calibrar los filtros de entrada del equipo QRP o para poder probar la etapa de potencia, entre otras cosas.

Este oscilador es un Hartley, que funciona muy bien en bajas frecuencias, da una onda senoidal muy pura, arranca siempre y es extremadamente sencillo, lo que lo hace ideal en un proyecto para principiantes, dado que una de las cosas más feas que le pueden suceder al aficionado novato es armar algo y que no funcione, o que lo haga con dificultad. Todavía recuerdo algunas de mis frustrantes primeras experiencias, en una época que casi no había instrumental y la bibliografía era para entendidos. Menos mal que abandonaba los proyectos sólo por un tiempo (hasta que se me fuera el enojo) y luego perseveraba nuevamente hasta que funcionaran bien.

Regresando al oscilador, éste tiene como elemento activo un transistor FET (Field Effect Transistor ó Transistor de Efecto de Campo) tipo BF245, que es muy común, barato y de fácil adquisición. El circuito sintonizado es una bobina de 13 µHy hecha con un tubito de papel de fax que tiene 1,5 cm de diámetro, al cual le bobiné 48 espiras de alambre para transformador de 0,70mm²  con una derivación a las 14 espiras del lado de masa. Todo el bobinado ocupa unos 4 centímetros.

Para variar la sintonía utilicé una sección de un condensador variable de radio vieja, que tiene una capacidad de  410 pF.

La salida de este oscilador genera 6 Vpp y para evitar cargarlo, lo que provocaría inestabilidades y hasta el apagado del mismo, le sigue una etapa buffer con un transistor BC547 que le permite excitar otros circuitos sin inconvenientes. La salida de este buffer va a una resistencia de 100 ohms que por medio de una ficha RCA me permite salir al exterior, en caso de utilizar solamente el oscilador para el caso de necesitar ajustar un filtro, por ejemplo. Hay una llave a palanca que permite desconectar el oscilador del inductámetro.

A la salida del buffer tenemos el corazón del instrumento. Vemos que del emisor del transistor BC547 sale un capacitor,  al que le sigue una resistencia de 4.700 ohm. Este conjunto es así para presentar una alta impedancia al circuito sintonizado (recordemos la diferencia entre la figura 2 y la figura 4). Le sigue una llave de 3 posiciones con diferentes capacidades y los bornes para la bobina a medir, una resistencia de 4.700 ohm (por la misma razón de la alta impedancia) y entra a un bloque de ganancia (típicamente 25 dB –unas 15 veces-) hecho con dos transistores BC547 que excita un instrumento cuya medida es en forma logarítmica, que nos permite un mayor rango de mediciones. En mi caso utilicé un humilde vúmetro de un grabador viejo. Este bloque medidor tiene a su vez acceso desde el exterior con otra ficha RCA para el caso de utilizarlo en forma independiente.

El principio de funcionamiento del sistema es el siguiente: en los bornes marcados Lx colocamos la bobina que deseamos medir. Seleccionamos con la llave de 3 posiciones uno de los condensadores y barremos con el oscilador desde 2 hasta 6 MHz. En algún momento, la aguja del vúmetro va a subir y bajar. Ese es el punto de resonancia del circuito sintonizado. Dejamos entonces el oscilador en el punto en que la aguja deflexiona al máximo y procedemos a medir la frecuencia.

Si armaron el frecuencímetro digital les será fácil cumplir con la tarea. Si no lo hicieron sugiero que con paciencia vayan buscando un amigo con receptor banda corrida (puede ser en un Radio Club) y anoten en la carátula del aparato los valores de frecuencia batiéndolo con el OFB (oscilador de frecuencia de batido) cada, por ejemplo, 500 KHz y marcando con más detalle la banda de 80 Mts. 3,5 a 3,75 MHz.

Una vez medida la frecuencia, podemos saber la inductancia por medio de la siguiente fórmula:

L =             25.330      

           F² x C

 L = en µHy                            C =  en pF                              F =  en MHz

 
Como sabemos el valor del capacitor (es uno de los que seleccionamos con la llave de 3 posiciones, cuyo valor también debemos colocar en la carátula del equipo) y sabemos el valor de la frecuencia (por medio del frecuencímetro o la lectura en el frente) nos queda solamente hacer un pequeño cálculo y ya tenemos el valor de la inductancia.

Puede parecer engorroso, pero detengámonos en el siguiente razonamiento: un medidor de inductancia profesional o un Qmetro son carísimos y difíciles de conseguir. Aquí con este aparatito no gastamos mucho dinero, más el costo de una simple calculadora (que se puede pedir prestada) y obtenemos un resultado con buena precisión.

Con esto hacemos cumplir un viejo axioma que dice “Tiempo tengo,... dinero no”. Y podremos entonces encarar la parte más divertida, que es la específica de radiofrecuencia sin temores al fracaso o al mal funcionamiento.

Ofrezco aquí una plaqueta como tentativa, en realidad se puede armar de cualquier forma, incluso tipo araña al aire que funciona igual. Como detalle cabe observar que el preset que está en serie con el vúmetro hay que experimentarlo, porque depende de lo “duro” que sea el instrumento. En mi caso utilicé uno de 500 ohms. Para calibrarlo hay que encender el equipo sin colocarle ninguna bobina y regular el preset  para que el instrumento llegue a fondo de escala.